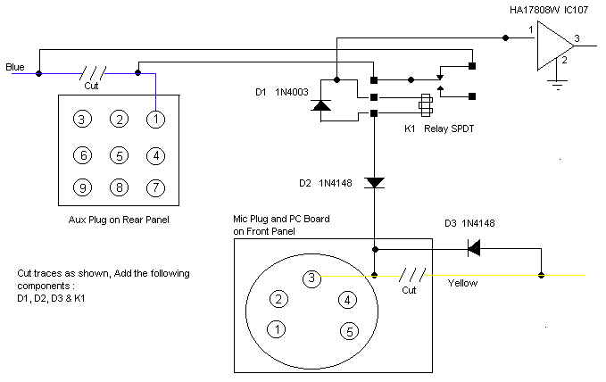
One method of Talkback removal is to break the speaker line with a relay.
Parts needed :
12Volt SPDT relay
2 - 1N4148 Diodes
1 - 1N 4001 Diode
Several pieces of hookup wire
Jumper the Relay coil - K1 with a 1N4001 Diode - D1. To key the relay you connect one side of the Relay coil (the side with the Cathode of the diode) to IC107 pin 1.(HA17808W)
Cut the Blue wire that goes to pin 1 of the AUX plug on the rear of the radio. (Make sure you leave enough wire to reconnect each end to wires for the relay.) Attach the wire from pin 1 of the AUX plug to the Wiper contact of the Relay- K1. Attach the other half of the Blue wire to the Normally Closed side of the Relay.
(Make sure you leave enough wire to reconnect each end to wires for the relay.)
Cut the Yellow wire from pin 3 of the Mic plug. Jumper the cut Yellow wire with a 1N4148 Diode - D2 (Cathode to the Mic Plug Pin 3) Connect the last 1N 4148 Diode - D3 to the Relay coil, Anode side to the Anode of the Diode - D1 on the coil of the relay.Connect the Cathode to Pin 3 of the Mic plug.(Cathode to Cathode of the two diodes on pin 3 of the Mic plug.)

MOD #2 - The Solid State Approach I
All that is needed is to add a 1N914 Diode from pin 6 of IC103 to the collector of Q125.
Connect the cathode of the diode to pin 6 of IC103, and the anode to the collector (the center pin) of Q125.

All that is needed is to add a 1N914 or a 1N4148 Diode connected to a 10k to 100k resistor from pin 6 of IC103 to the Base of Q127.
Connect the anode of the diode to one side of the resistor. Connect the other side of the resistor to pin 6 of IC103, and the cathode to the Base of Q127.
Note: Use a 10k ohm resistor if you only use the internal speaker. Use a 100k ohm resistor if you use an external speaker.
These last 2 MODs remedies the Audio Feedback caused by the
Audio
Amplifier chip, IC103 (TDA 1905) not being switched over completely
from
RX to TX when you key the mike. These fixes re-bias the switching
transistor
to correct this.
Back to the HR2510 Main modification page , Click Here.